< Previous Chiaravalli Gearboxes and Motors | Products index | Next Chiaravalli Gearboxes and Motors >
INPUT



OUTPUT


22
kg. 12,2
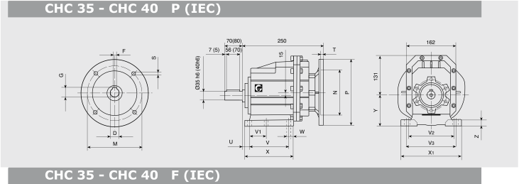
CHC - DIMENSION SHEET
Foot cod.
(...) Between brackets CHC 40 dimension
Quantity, availability and prices with Chiaravalli B2B
2
22
20
24 23
44 21
17 16
18
19
1
12
4
3
14 11 6 5
15 7
10
28 26
31 29 27 9 8
43
41 40
35 25
38 37 36
13
30
33
42 39 32

34

1 | MOTOR CONNECTION FLANGE | 23 | SECOND REDUCTION PINION |
2 | SCREW WITH NUT | 24 | BEARING |
3 | HEXAGONAL-HEAD SCREW | 25 | SEEGER |
4 | HOLE INPUT SHAFT | 26 | BEARING |
5 | BEARING | 27 | SEEGER |
6 | SEEGER | 28 | INTERNAL SUPPORT |
7 | BEARING | 29 | SECOND REDUCTION GEAR |
8 | SEEGER | 30 | SCREW WITH NUT |
9 | OIL SEAL | 31 | HOUSING |
10 | FIRST REDUCTION PINION | 32 | FOOT KIT |
11 | KEY | 33 | DOWEL PIN |
12 | OIL PLUG | 34 | HEXAGONAL-HEAD SCREW |
13 | OIL PLUG | 35 | SEEGER |
14 | COVER | 36 | SPACER |
15 | GASKET | 37 | BEARING |
16 | SEEGER | 38 | SEEGER |
17 | FIRST REDUCTION GEAR | 39 | OIL SEAL |
18 | SPACER | 40 | KEY |
19 | SEEGER | 41 | KEY |
20 | BEARING | 42 | OUTPUT SHAFT |
21 | SEEGER | 43 | HEXAGONAL-HEAD SCREW |
22 | KEY | 44 | OUTPUT FLANGE |
CHC - EXPLODED DRAWING AND SPARE PARTS LIST
23






















